|
|

|
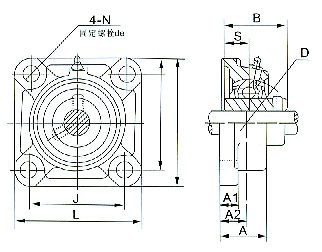
UCFU200(F90500)型带方形座顶丝外球面球轴承 |
|
说明:一般安装在机械的侧壁上,结构简单、安装方便、是法兰型轴承座中应用最广泛的一种。
|
带座轴承代号 |
外 形 尺 寸(mm) Shape Dimension(mm) |
带座 轴承 重量 (kg) |
配用轴承代号 |
配用轴座承代号 |
|
新代号 New type No. |
旧代号 Pro type No. |
D |
B |
S |
L |
J |
A |
A1 |
A2 |
N |
de |
新代号 New type No. |
旧代号 Pro type No. |
新代号 New type No. |
旧代号 Pro type No. |
| UCFU203 |
F90503 |
40 |
27.4 |
11.5 |
76 |
54 |
11 |
17 |
17 |
12 |
M10 |
0.6 |
UC203 |
90503 |
FU203 |
F503 |
| UCFU204 |
F90504 |
47 |
31.0 |
12.7 |
86 |
63.5 |
11 |
19 |
19 |
12 |
M10 |
0.7 |
UC204 |
90504 |
FU204 |
F504 |
| UCFU205 |
F90505 |
52 |
34.1 |
14.3 |
95 |
70 |
13 |
19 |
19 |
12 |
M10 |
0.9 |
UC205 |
90505 |
FU205 |
F505 |
| UCFU206 |
F90506 |
62 |
38.1 |
15.9 |
108 |
82.5 |
13 |
20 |
20 |
12 |
M10 |
1.1 |
UC206 |
90506 |
FU206 |
F506 |
| UCFU207 |
F90507 |
72 |
42.9 |
17.5 |
117 |
92 |
15 |
21 |
21 |
14 |
M12 |
1.5 |
UC207 |
90507 |
FU207 |
F507 |
| UCFU208 |
F90508 |
80 |
49.2 |
19.0 |
130 |
101.5 |
15 |
24 |
24 |
16 |
M14 |
1.9 |
UC208 |
90508 |
FU208 |
F508 |
| UCFU209 |
F90509 |
85 |
49.2 |
19.0 |
137 |
105 |
16 |
24 |
24 |
16 |
M14 |
2.3 |
UC209 |
90509 |
FU209 |
F509 |
| UCFU210 |
F90510 |
90 |
51.6 |
19.0 |
143 |
111 |
16 |
28 |
28 |
19 |
M16 |
2.7 |
UC210 |
90510 |
FU210 |
F510 | |
|
注:根据国际《GB/T7810》,该型座配以UEL200型轴承或UK200+H2300型轴承,可装配成为带方形座偏心套外球面轴承或带方形座紧定套外球面球轴承,本厂均生产供货。 | |
|